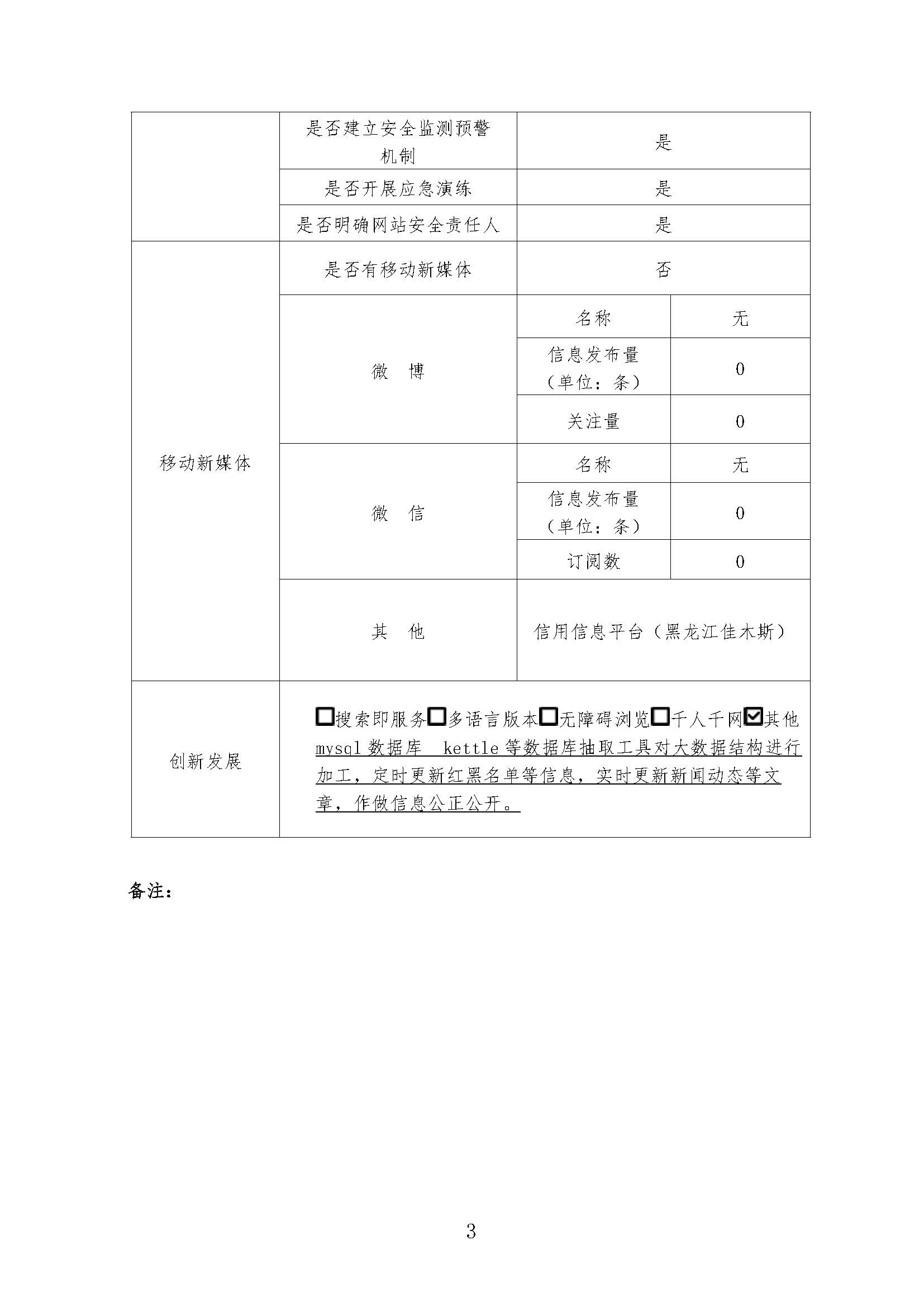
信用中国(黑龙江佳木斯)

credit.jms.gov.cn

信用中国(黑龙江佳木斯)政府网站工作年度报表(2021年度)

发文机构:信用佳木斯 来源 :信用佳木斯 访问次数 : 发布时间:2022-01-11 09:37 打印